产品分类
联系我们
CONTACT US
电 话:0379-63210622
手 机:137-0769-6241
地址:洛阳市西工区衡山路五洲国际工业博览城B区31栋119号
乘车路线:可自行驾车前往
一、产品概述
DA型泵是单吸多级分段式离心泵,供输送清水及物理、化学类似于水的液体之用。本型号水泵的扬程在14米~412米,流量为10.8米3/时~720米3/时,液体***高温度不得超过40℃,适用于矿山、工厂及城市给排水之用。
二、型号意义

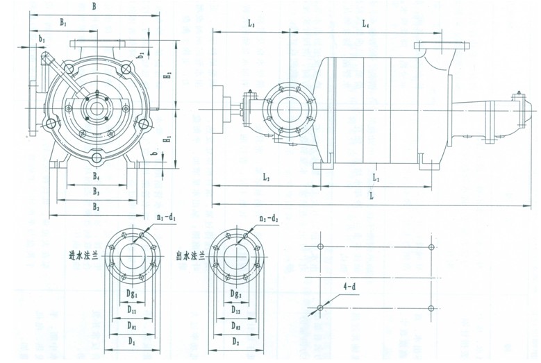
三、结构图

四、技术特性
DA型泵为分段式多级泵,其吸入口位于进水段上成水平方向,吐出口在出水段上垂直向上。其扬程可根据使用需要而增减水泵级数,本型泵装配精度对性能影响特 别显著,尤其是各个叶轮的出口与导翼进口之间相对位置,每级叶轮的吐出口中心必须对准导翼的进口中心,其中稍有偏差即将使整个性能受到影响、效率降低,故 在检修后装配时务必注意,若有偏差必须调整,从驱动方向看,水泵均为顺时针方向旋转。
五、结构特点

六、安装拆卸
☆装配顺序:
1、将密封环紧装在进水段上。
2、把导翼套装在导翼上,然后将导翼固定在所有的中段上去。
3、将出水导翼、平衡环和平衡套分别装在出水段上。
4、将装好轴套甲和键的轴穿过进水段,并顺键推入叶轮、叶轮挡套并在中段上铺一层青壳纸,装好中段再顺键推进叶轮、叶轮挡套,重复以上步骤将所有叶轮、叶轮挡套及中段装完。
5、将出水段装在中段上,然后由拉紧螺栓将进水段、中段和出水段紧固在一起。
6、装上平衡盘及轴套乙。拧上轴套螺母,并将尾盖紧固在出水段上。
7、顺次在二端放入填料环里面的填料、填料环、填料压盖及挡水圈,井将轴承甲、乙部件分别紧固在进水段和尾盖上。装好后,转动一下轴,检查转子部分是否灵活。
8、装好填料环外面的填料和填料压盖。注意填料环串孔中心应对准水封管中心。
9、装上水封管、回水管、弹性联轴器部件及所有四方螺塞。
☆泵的安装:
1、安装前的准备工作
(1)泵的基础必须具有足够的强度,基础的质量约等于机组质量的3~5倍。
(2)检查水泵和电机,检查泵的零件是否有严重磕碰现象。
(3)检查泵的零配件是否缺少或损坏。
(4)准备工具及起重机械。
☆安装顺序:
(1)在底座下面放置钢的垫铁和楔铁。用起重吊钩吊住底座的四个角,把底座吊在地基上方,慢慢地把底座放在每一个预制好的地脚螺栓孔的位置上。
(2)找平底座,向地脚处灌浆,达到凝固强度后,拧紧地脚螺栓。
(3)设备调整。泵与电机联轴器之间应有间隙,一般间隙应有3~6毫米左右。水泵与电机的轴线应重合,可用塞尺测量两联轴器端面问隙的均匀度,其允差为0.06毫米,可用直尺在两联轴器圆周各个方向进行测量,两联轴器外圆表面间隙允差0.08毫米。如不符以上要求,可用调整垫进行调整。
☆管道安装及注意事项:
(1)泵的出水口必须安装压力表,闸阀及止回阀。进水处应安装真空表、底阀(用真空泵引水可不安装底阀)。
(2)进水管道的进口处应安装过滤网,防止大的颗粒进入泵中,损坏设备。
(3)不得将管路重量压在泵上,使泵受力。泵停后,不得使泵承受管路中水的重力。
(4)泵的平衡水管是连接进水段和出水段的一根管,它起着平衡轴向力的作用,绝对不允许堵塞,一般泵出厂时已连接好,用户不需要再安装调整。
(5)水封管是连接进水段填料腔和填料函体填料腔的一根管,它起到防止泵内进气、水润滑及水冷却的作用。
(6)必须采用不小于水泵进水口径的管子进行安装,否则会影响水泵的性能。
(7)管道在距离1米范围内尽可能不拐弯,以减少阻力损失。
(8)管道安装完毕后,必须进行冲洗方可与泵连接,防止焊渣等杂质进入泵内,损坏叶轮。
七、性能参数
2DA-8型泵工作性能表
泵的型号 | 流量Q | 扬程H (m) | 转速n (r/min) | 功率P(kW) | 效率η (%) | 必需汽蚀余量 (NPSH)r(m) | 质量 kg | ||
(m3/h) | (L/s) | 轴功率 | 电机功率 | ||||||
2DA-8×2 | 10.8 14.4 18 21.6 | 3 4 5 6 | 20 18.6 16.6 14 | 1450 | 1.18 1.32 1.48 1.65 | 3 | 50 55 55 50 | 2.0 | 140 |
2DA-8×3 | 10.8 14.4 18 21.6 | 3 4 5 6 | 30 27.9 24.9 21 | 1450 | 1.77 1.98 2.22 2.47 | 4 | 50 55 55 50 | 2.0 | 160 |
2DA-8×4 | 10.8 14.4 18 21.6 | 3 4 5 6 | 40 37.2 33.2 28 | 1450 | 2.36 2.65 2.96 3.30 | 4 | 50 55 55 50 | 2.0 | 180 |
2DA-8×5 | 10.8 14.4 18 21.6 | 3 4 5 6 | 50 46.5 41.5 35 | 1450 | 2.95 3.31 3.70 4.12 | 5.5 | 50 55 55 50 | 2.0 | 200 |
2DA-8×6 | 10.8 14.4 18 21.6 | 3 4 5 6 | 60 55.8 49.8 42 | 1450 | 6.54 3.97 4.44 4.95 | 7.5 | 50 55 55 50 | 2.0 | 220 |
2DA-8×7 | 10.8 14.4 18 21.6 | 3 4 5 6 | 70 65.1 58.1 49 | 1450 | 4.13 4.64 5.18 5.77 | 7.5 | 50 55 55 50 | 2.0 | 240 |
2DA-8×8 | 10.8 14.4 18 21.6 | 3 4 5 6 | 80 74.4 66.4 56 | 1450 | 4.72 5.30 5.92 6.60 | 11 | 50 55 55 50 | 2.0 | 260 |
2DA-8×9 | 10.8 14.4 18 21.6 | 3 4 5 6 | 90 83.7 74.7 63 | 1450 | 5.31 5.96 6.66 7.42 | 11 | 50 55 55 50 | 2.0 | 280 |
3DA-8型泵工作性能表
泵的型号 | 流量Q | 扬程H (m) | 转速n (r/min) | 功率P(kW) | 效率η (%) | 必需汽蚀余量 (NPSHR)r(m) | 质量 kg | ||
(m3/h) | (L/s) | 轴功率 | 电机功率 | ||||||
3DA-8×2 | 25.2 32.4 39.6 | 7 9 11 | 25 22.6 19 | 1450 | 2.82 3.12 3.42 | 4 | 61 64 60 | 2.5 | 164 |
3DA-8×3 | 25.2 32.4 39.6 | 7 9 11 | 37.5 33.9 28.5 | 1450 | 4.23 4.68 5.12 | 7.5 | 61 64 60 | 2.5 | 208 |
3DA-8×4 | 25.2 32.4 39.6 | 7 9 11 | 50 45.2 38 | 1450 | 5.63 6.24 6.83 | 11 | 61 64 60 | 2.5 | 252 |
3DA-8×5 | 25.2 32.4 39.6 | 7 9 11 | 62.5 56.5 47.5 | 1450 | 7.04 7.80 8.55 | 11 | 61 64 60 | 2.5 | 296 |
3DA-8×6 | 25.2 32.4 39.6 | 7 9 11 | 75 67.8 57 | 1450 | 8.45 9.46 10.25 | 15 | 61 64 60 | 2.5 | 342 |
3DA-8×7 | 25.2 32.4 39.6 | 7 9 11 | 87.5 79.5 66.5 | 1450 | 9.85 10.90 12.00 | 15 | 61 64 60 | 2.5 | 386 |
3DA-8×8 | 25.2 32.4 39.6 | 7 9 11 | 100 90.5 76 | 1450 | 11.25 12.50 13.70 | 18.5 | 61 64 60 | 2.5 | 430 |
3DA-8×9 | 25.2 32.4 39.6 | 7 9 11 | 112.5 101.7 85.5 | 1450 | 12.67 14.00 14.50 | 18.5 | 61 64 60 | 2.5 | 474 |
4DA-8型泵工作性能表
泵的型号 | 流量Q | 扬程H (m) | 转速n (r/min) | 功率P(kW) | 效率η (%) | 必需汽蚀余量 (NPSHR)r(m) | 质量 kg | ||
(m3/h) | (L/s) | 轴功率 | 电机功率 | ||||||
4DA-8×2 | 36 54 72 | 10 15 20 | 34.4 32 28.4 | 1450 | 6.48 7.4 8.2 | 11 | 52 63.5 68 | 3.0 | 263 |
4DA-8×3 | 36 54 72 | 10 15 20 | 51.6 48 42.6 | 1450 | 9.72 11.1 12.3 | 15 | 52 63.5 68 | 3.0 | 321 |
4DA-8×4 | 36 54 72 | 10 15 20 | 68.8 64 56.8 | 1450 | 12.96 14.8 16.4 | 18.5 | 52 63.5 68 | 3.0 | 379 |
4DA-8×5 | 36 54 72 | 10 15 20 | 86 80 71 | 1450 | 16.2 18.5 20.5 | 30 | 52 63.5 68 | 3.0 | 437 |
4DA-8×6 | 36 54 72 | 10 15 20 | 103.2 96 85.2 | 1450 | 19.5 22.2 24.6 | 30 | 52 63.5 68 | 3.0 | 498 |
4DA-8×7 | 36 54 72 | 10 15 20 | 120.4 112 99.4 | 1450 | 22.7 25.9 28.7 | 37 | 52 63.5 68 | 3.0 | 556 |
4DA-8×8 | 36 54 72 | 10 15 20 | 137.6 128 113.6 | 1450 | 25.9 29.6 32.8 | 37 | 52 63.5 68 | 3.0 | 614 |
4DA-8×9 | 36 54 72 | 10 15 20 | 154.8 144 127.8 | 1450 | 29.2 33.4 36.9 | 45 | 52 63.5 68 | 3.0 | 672 |
5DA-8型泵工作性能表
泵的型号 | 流量Q | 扬程H (m) | 转速n (r/min) | 功率P(kW) | 效率η (%) | 必需汽蚀余量 (NPSHR)r(m) | 质量 kg | ||
(m3/h) | (L/s) | 轴功率 | 电机功率 | ||||||
5DA-8×2 | 72 90 108 126 | 20 25 30 35 | 46 43.3 40 36 | 1450 | 13.25 14.7 16.55 18.4 | 22 | 68 72 71 67 | 3.5 | 346 |
5DA-8×3 | 72 90 108 126 | 20 25 30 35 | 69 64.8 60 54 | 1450 | 19.88 22.05 24.8 27.6 | 37 | 68 72 71 67 | 3.5 | 418 |
5DA-8×4 | 72 90 108 126 | 20 25 30 35 | 92 86.4 80 72 | 1450 | 26.5 29.4 33.2 36.8 | 45 | 68 72 71 67 | 3.5 | 489 |
5DA-8×5 | 72 90 108 126 | 20 25 30 35 | 115 108 100 90 | 1450 | 33.13 36.75 41.4 46 | 55 | 68 72 71 67 | 3.5 | 561 |
5DA-8×6 | 72 90 108 126 | 20 25 30 35 | 138 129.6 120 108 | 1450 | 39.75 44.1 49.7 55.2 | 75 | 68 72 71 67 | 3.5 | 636 |
5DA-8×7 | 72 90 108 126 | 20 25 30 35 | 161 151.2 140 126 | 1450 | 46.38 51.45 58 64.4 | 75 | 68 72 71 67 | 3.5 | 707 |
5DA-8×8 | 72 90 108 126 | 20 25 30 35 | 184 172.8 160 144 | 1450 | 53 58.8 66.2 73.6 | 90 | 68 72 71 67 | 3.5 | 780 |
5DA-8×9 | 72 90 108 126 | 20 25 30 35 | 207 194.4 180 162 | 1450 | 59.63 66.15 74.6 82.8 | 110 | 68 72 71 67 | 3.5 | |